车窗透明显示,继AR HUD后DLP投影的下一个应用
来源:佐思汽车研究
浏览次数:1439
发布日期:2021-09-30
继奔驰S级开始使用DLP投影后做AR HUD后,国内广汽第二代旗舰SUV也采用了类似奔驰S级的设计。

图片来源:互联网
如果车窗变成透明的显示屏,那么能有什么新应用被开发出来?关键应用有两类,第一类是无人车,无人车与行人或其他车辆通讯沟通,车窗透明显示是最方便的方式。特别是无人车上路初期或测试阶段,提醒行人或其他车辆,这辆车是无人驾驶的。第二类是为驾驶员在车窗上显示问候词,这个看起来炫酷无比,满满的科技感。其他非关键应用还有出租车载客显示、广告、车内娱乐等。最后是一类可能也是关键的应用,共享车辆触摸屏进入,手机也可以实现这个功能,但是如果能做到本地,网络安全性必然大幅提高。并且不是所有国家智能手机普及率都是像中国这么高。
图片来源:互联网
可能还有些应用,比如下图的充电状态。

图片来源:互联网
还可以提醒驾驶员有婴儿或儿童遗忘在车内。

图片来源:互联网
下面是共享汽车进入的流程。
步骤一:在家中网络上预约共享汽车,发送密码,顾客在车窗上输入密码。
图片来源:互联网

图片来源:互联网

图片来源:互联网
车窗透明显示跟HUD的技术路线是完全一样的,目前有两种技术,一是传统的投影方式,二是用可显示材料贴/挂在车窗表面或夹在车窗玻璃内。LG显示在2016年就提出了柔性OLED显示,据说奔驰当时很感兴趣,但技术成熟度不高,最终还是放弃了,LG显示申请了相关专利。
图片来源:互联网
另一种就是德州仪器的DLP投影,技术成熟度很高,完全可以量产实用,但成本略高。并且即便如此还要在车窗玻璃中夹一层PVB层。
图片来源:互联网
德州仪器为车窗透明显示开发了特别小巧的短焦DLP投影机,体积小于1立方分米。
图片来源:互联网
目前德州仪器有三款支持车窗透明显示的DMD芯片。德州仪器推荐用DLP5534。
图片来源:互联网
DLP5534-Q1简介

图片来源:互联网
DLP5534-Q1投影系统总线图

图片来源:互联网
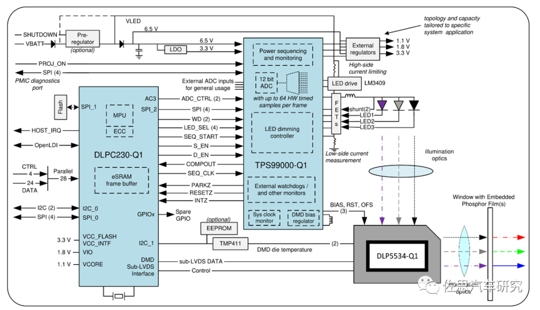
DLP5534-Q1投影系统电源图

图片来源:互联网
最难的地方是车窗玻璃材料的改动,需要特殊夹层。上文里说的PVB实际不是夹层本身,而是胶层,PVB中间膜是由聚乙烯醇缩丁醛树脂(70%)经增塑剂(30%)塑化挤压成型的一种高分子材料薄膜。外观为半透明薄膜,无杂质,表面平整,有一定的粗糙度和良好的柔韧性,对无机玻璃有很好的粘结力,具有透明、机械强度高、隔热、隔音、抗紫外线等特性,是当前世界上制造夹层安全玻璃用的上佳粘合材料,同时在建筑幕墙、汽车挡风、光伏组件、橱窗、银行柜台及各种防弹玻璃等领域也有广泛的应用。德州仪器为什么车窗透明显示使用405纳米波长的光源,这是因为德州仪器选定的是蓝颜色,405纳米波长对应蓝颜色,只有这个波长才能激活荧光层,才能显示图像,这个原理类似老式的显像管电视,电子轰击显像管表面的荧光粉而显示。而405纳米是蓝色,当然你要不喜欢蓝色,可以用其他波长,650纳米是红光,不过405纳米的应用是最广泛的,无论LED还是激光,都比较好找供应商。夹层可以用荧光薄膜,全息膜,纳米膜,只要能对应405纳米有光谱反应就成。磷光体薄膜最容易,成本最低,技术成熟,对汽车玻璃的透光度略有影响,因此一般用在侧车窗和后车窗,三菱化学和住友化学有现成的产品。据了解,威马汽车对车窗透明显示颇有兴趣,有可能成为国内首家采用车窗透明显示的车企。

相关新闻:
免责声明:
1、凡本网注明来源:亚洲新能源汽车网www.asianev.com的所有文字、图片和音视频稿件,版权均为亚洲新能源汽车网www.asianev.com独家所有,任何媒体、网站或个人在转载使用时必须注明来源亚洲新能源汽车网www.asianev.com违反者本网将依法追究责任;
2、图片来源于网络,如有侵权,请联系我们删除;
3、本网部分文章系转载,转载均注明来源,目的在于传递更多信息,并不代表本网赞同其观点和对其真实性负责,所表述意见也不构成任何投资意见;如涉及版权及其他问题,请联系我们删除,本网拥有最终解释权。